SMD 千赫茲範圍晶體單元
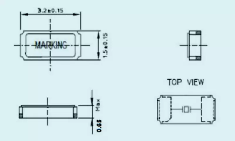
TF8.0x3.8
| ltem | 系列 | 3215 | |
| 輸出類型 | 基本 | ||
| 頻率範圍(F0) | 32.768千赫茲 | ||
| 頻率穩定性 | +/-20ppm +/-50ppm | ||
| 工作溫度範圍(TOPR) | -40℃~+85℃、-40℃~+125℃ 或指定 | ||
| 儲存溫度範圍(TSTG) | -55℃~+125℃ | ||
| 驅動級別(DL) | 典型值 0.1uW,最大 1uW | ||
| 翻轉溫度(Ti) | 25℃±5℃ | ||
| 拋物線係數(B) | -0.04*10-6/℃2 最大值 | ||
| 負載電容(CL) | 7pF、9pF、12.5pF 或指定 | ||
| 運動阻力(ESR) | 最大60KΩ,最大70KΩ | ||
| 運動電容(C1) | 8.4 fF 典型值。 | ||
| 分流電容(C0) | 1.6 pF 典型值 | ||
| 頻率老化(第一年) | 每年最多 3x10-6。 | ||
| 除了表格中列出的參數外,還可以根據客戶需求進行設計。 | |||

*
*
*